詳細信息
| 自調心球軸承, 圓柱孔和圓錐孔, 圓柱型內孔, 無密封件 | ||||||||||
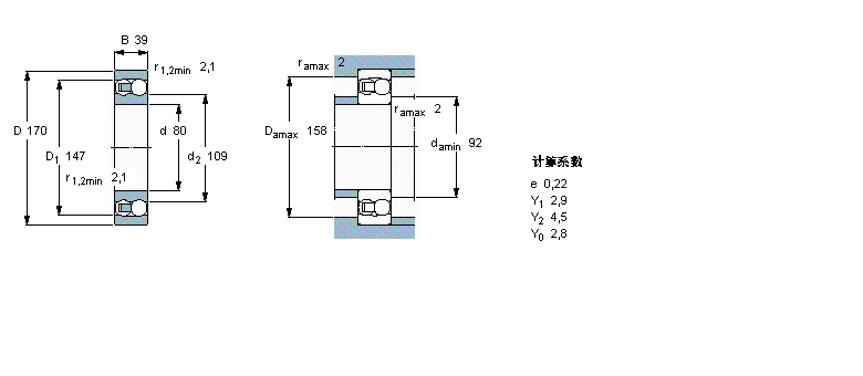
| 公差 , 參見文字 | ||||||||||
| 徑向內部游隙 , 參見文字 | ||||||||||
| 推薦配合 | ||||||||||
| 軸和軸承座公差 | ||||||||||
|
|
||||||||||
| 主要數據尺寸 | 基本負荷額定值 | 疲勞負荷限值 | 額定速度 | 體積 | 型號 | |||||
| 動態(tài) | 靜態(tài) | 參照速度 | 限制速度 | |||||||
| d | D | B | C | C0 | Pu | |||||
|
|
||||||||||
| mm | kN | kN | r/min | kg | - | |||||
|
|
||||||||||
| 80 | 170 | 39 | 88,4 | 33,5 | 1,5 | 7500 | 5300 | 4,20 | 1316 | |

